Beiträge: 3097
Themen: 129
Registriert seit: Oct 2007
Ich hab nun endlich eine schöne A77 aus meinem Geburtsjahr gefunden, die ich nun für mich herrichten möchte.
Es handelt sich um eine MK II
Ein grundlegendes Problem habe ich festgestellt:
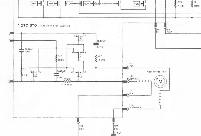
Auf dem Tape Drive Control wird der R121 extrem heiß, ich hab die Maschine ausgeschalten weil er sich schon verfärbt hat.
C111 / C113 / C114 / C115 sind bereits erneuert
Gemessen habe ich folgende Spannungen am R121
Wo könnte hier der Hund begraben liegen?
Viele Grüße
Jörg
Beiträge: 1452
Themen: 72
Registriert seit: Sep 2018
Mhhh, eigentlich brennt der R121 meist mit dem Ausfall von C113 ab. So habe ich das schön öfters kennengelernt. Den Widerstand selber hast du auch schon nachgemessen? Nicht, das der schon in Mitleidenschaft gezogen worden ist.
Gruß André
Beiträge: 9440
Themen: 259
Registriert seit: Dec 2015
Hallo,
nach meinem Schaltplan müßten am oberen Ende 105 Vac liegen.
Ein 0.47 µF Kondensator hat bei 50 Hz eine Impedanz von ca. 6.8 kOhm. An einem in Serie liegenden 4.7 Ohm Widerstand dürfte dann weniger als 1/1000-stel der anliegenden Spannung auftreten.
Entweder ist C113 kaputt oder die Verdrahtung falsch.
Wie groß sind die Spannungen an C113 ?
Was war der Bezugspunkt bei der Spannungsmessung ?
Wenn man mit der Schaltung im Manual vergleichen will, muß man bezüglich Trafo-Anschluß "0 V" messen.
MfG Kai
Beiträge: 3097
Themen: 129
Registriert seit: Oct 2007
Sorry daß ich so spät antworte, wir waren bis jetzt unterwegs.
C113 und R121 hatte ich im Rahmen der Überarbeitung bereits erneuert (R121 deshalb weil er bereits verkokelt war)
C113 ist korrekt gepolt, an beiden Enden liegen knapp 30V an - Bezugspunkt = blu AD2
Viele Grüße
Jörg
Beiträge: 9440
Themen: 259
Registriert seit: Dec 2015
C113 sollt ein ungepolter Folien-Kondensator sein.
Bei Wechselspannung sagt "30 V an beiden Enden" zu einem dritten Punkt nicht viel aus.
Ist die Spannung vom einem zum anderen Ende 0 V oder 60 V ?
Was passiert, wenn ein Bein von C113 rausgelötet ist ?
MfG Kai
Beiträge: 1452
Themen: 72
Registriert seit: Sep 2018
Viel ist da ja kaum noch, was in Frage kommen könnte. Wird der linke Wickelmotor recht warm?
Gruß André
Beiträge: 3097
Themen: 129
Registriert seit: Oct 2007
Grmpf - ich meinte natürlich C111 und hatte auch dort gemessen
Über C113 liegen 100V, auch in ausgelötetem Zustand
Viele Grüße
Jörg
Beiträge: 9440
Themen: 259
Registriert seit: Dec 2015
Bei 100 V 50 Hz fließen durch 0.47 µF ca. 15 mA.
Davon kann R121 nicht heiß werden, wenn er da angeschloßen ist, wo und wie ihn das Schaltbild zeigt.
Wenn er immer noch heiß wird, auch bei ausgebautem C113, dann ist er falsch angeschlossen.
MfG Kai
Beiträge: 3097
Themen: 129
Registriert seit: Oct 2007
@André: du hattest noch gefragt ob der linke Wickelmotor warm wird.
Alle Messungen erfolgten bis jetzt im Stop Zustand.
Recht lange kann die Maschine gar nicht an bleiben, man riecht dann den Widerstand
Also gut, keine schnelle Rep. möglich - ich räume jetzt zusammen und werde an der Kiste dann weitermachen wenn ich etwas Zeit habe.
Viele Grüße
Jörg
Beiträge: 462
Themen: 4
Registriert seit: Jan 2017
Nur mal eine ganz blöde Idee: Hat der neue Widerstand tatsächlich 4,7 Ohm? Ein höherer Wert z.B. 4,7kOhm würde hier etwas mehr verheizen...
Gruß
Volker
Beiträge: 9440
Themen: 259
Registriert seit: Dec 2015
Das Gerät läuft auch ohne C113,/114/115 und ohne RR121/122/123.
Die RC-Glieder dienen nur zum Funken-Verhindern.
Wenn R121 4.7 kOhm hätte, würden da bei 100 V 1.2 W verheizt.
MfG Kai
Beiträge: 3097
Themen: 129
Registriert seit: Oct 2007
(19.09.2021, 19:12)fostex schrieb: Nur mal eine ganz blöde Idee: Hat der neue Widerstand tatsächlich 4,7 Ohm? Ein höherer Wert z.B. 4,7kOhm würde hier etwas mehr verheizen...
Gruß
Volker
Volker you nailed it
Ich hab die Kiste mal kurz hervorgewuchtet und den Widerstand gemessen:
Das Vieh hatte tatsächlich 4,7k
Eben nochmal nachgesehen: die Beschriftung des Gurtes ist durchaus irreführend wenn man "mal schnell..."
Also doch schnell den Lötkolben raus, umgelötet und siehe da: er bleibt schön kühl
Viele Grüße
Jörg
Beiträge: 1452
Themen: 72
Registriert seit: Sep 2018
Die eigenen eingebauten Fehler sind doch immer noch die besten. Vorallem dann, wenn man sie sich eingesteht und auch darüber selber schmunzeln kann.
Wer kennt das nicht von sich selbst?
Gruß André
Beiträge: 7895
Themen: 399
Registriert seit: Nov 2004
Das, stimmt. Wenn nach einer Überholung/Reparatur ein neuer Fehler auftritt, ist das mit Sicherheit ein selbst eingebauter! Und die zu finden ist besonders schwierig, weil man ja sicher ist, alles richtig gemacht zu haben....
Beiträge: 2388
Themen: 140
Registriert seit: Sep 2019
Ja, da kann ich auch ein Lied von singen
Beiträge: 3097
Themen: 129
Registriert seit: Oct 2007
In dem Fall hatte ich die Maschine vorher gar nicht ausprobiert, ansonsten hätte ich den (erst danach auftretenden) Fehler ja gleich bei mir suchen können.
Aber so ist das halt, nobody is perfect und gerade Dinge die man schon zigmal gemacht hat vermutet man ja i.d.R. nicht unbedingt als Fehlerquelle.
Viele Grüße
Jörg