Beiträge: 182
Themen: 27
Registriert seit: Feb 2009
Hallo Forianer,
ich habe jetzt mal wieder mein altes Report 4400 vorgeholt, um es endlich in einen funktionsfähigen Zustand zu versetzen.
Mechanisch ist bereits alles wieder in Ordnung, weshalb ich mich jetzt der elektrischen Seite widme.
Der Fehler: bei Aufnahme geht nur ein Kanal, der Pegel wird auch nur auf dem linken VU-Meter angezeigt.
Den Elko C55 mit 1000 uF / 6V auf der Hauptplatine habe ich vorsorglich schon mal ausgetauscht, hat aber leider nichts
gebracht.
Was wäre die nächste Option, die Elkos mit 2200 uF unter dem Batteriefach, die Elkos mit 100 uF auf der NF-Endstufe
oder gibt es noch wahrscheinlichere Kanditaten?
... und noch ne Frage, beim Vor- und Zurückspulen hört man die "Musik" mit, obwohl das Band keinen Kontakt zum Wiedergabekopf
hat, ist dies beim Report 4400 normal?, bei meinem Report Monitor ist dies zumindest nicht der Fall...
Besten Dank im Voraus,
Grüssle Michael
Studer A80 (neueste Errungenschaft)
Revox A76, A78, A77, B77, D36, G36,
Philips N4520
div. Uher`s
Beiträge: 1116
Themen: 123
Registriert seit: Mar 2016
Hallo Michael,
das mit Micky Mouse-Effekt ist wohl OK, siehe
https://tonbandforum.de/showthread.php?t...ight=micky
Viele Grüße
Hannes
Meine Elektronik-Kenntnisse: Ich löte nach Zahlen
Beiträge: 140
Themen: 31
Registriert seit: Oct 2007
Hallo Michael,
eine blöde Frage:
sind beide Spurwahlknöpfe gedrückt ?
ansonsten wird nur auf einem Kanal aufgenommen.
Gruß aus Vorarlberg
Gerhard
Beiträge: 1452
Themen: 72
Registriert seit: Sep 2018
Überprüfe bitte die Elkos und Tantals im Signalweg, insbesondere auch auf der Mikro/Radio Amp Platine.
Bei war es der C23, dadurch hatte ich auf einem Kanal keine Aufnahme.
Gruß André
Beiträge: 182
Themen: 27
Registriert seit: Feb 2009
15.03.2021, 14:40
(Dieser Beitrag wurde zuletzt bearbeitet: 15.03.2021, 14:51 von mikra.)
Hi Hannes,
danke für den Hinweis, habe mir schon Gedanken gemacht, woran das liegen könnte :-)
Am Kontaktschalter, auf den du im anderen Beitrag auf dem Bild zeigst, waren bei mir die Messinghülsen gebrochen.
Habe sie durch 1,6 mm Schrauben mit Muttern ersetzt, funktioniert problemlos.
Neue Riemen habe ich auch schon spendiert, sämtliche Gummiräder gereinigt und jetzt läuft das 4400 tatsächlich
wieder richtig schön ruhig.
Das Antriebsrad war bzw. ist noch in einem sehr guten Zustand, was mich aufgrund des Alters echt gewundert hat.
Jetzt fehlt nur noch der zweite Kanal.....
Grüssle
Michael
(15.03.2021, 14:31)oe9bgi schrieb: Hallo Michael,
eine blöde Frage:
sind beide Spurwahlknöpfe gedrückt ?
ansonsten wird nur auf einem Kanal aufgenommen.
Gruß aus Vorarlberg
Gerhard
Hallo Gerhard,
so blöd ist die Frage nicht :-), vorsichtshalber habe ich aber alle Möglichkeiten durchprobiert, also auch beide Knöpfe gedrückt.
Grüssle Michael
Studer A80 (neueste Errungenschaft)
Revox A76, A78, A77, B77, D36, G36,
Philips N4520
div. Uher`s
Beiträge: 182
Themen: 27
Registriert seit: Feb 2009
(15.03.2021, 14:40)hyberman schrieb: Überprüfe bitte die Elkos und Tantals im Signalweg, insbesondere auch auf der Mikro/Radio Amp Platine.
Bei war es der C23, dadurch hatte ich auf einem Kanal keine Aufnahme.
![[Bild: DSC04076-JPG.jpg]](https://i.postimg.cc/dt6ztBmn/DSC04076-JPG.jpg)
Hallo Andre,
danke für den Hinweis.
Ich habe mich gerade daran erinnert, dass ich gar kein Service-Manual habe, nur für das 4400 "IC".
Kann mir jemand mit einem Manual für das "normale" 4400 aushelfen?
Grüssle Michael
Studer A80 (neueste Errungenschaft)
Revox A76, A78, A77, B77, D36, G36,
Philips N4520
div. Uher`s
Beiträge: 8947
Themen: 219
Registriert seit: Mar 2006
Hallo Michael!
Schicke mir ´ne PN mit Deiner mail-Adresse.
Dann komme ich Deiner Bitte gerne nach...
Gruß
Wolfgang
Beiträge: 1452
Themen: 72
Registriert seit: Sep 2018
15.03.2021, 15:28
(Dieser Beitrag wurde zuletzt bearbeitet: 15.03.2021, 15:30 von hyberman.)
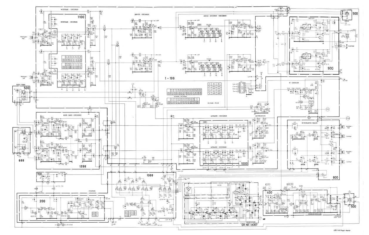
Reicht dir der Schaltplan erstmal?
Gruß André
Beiträge: 182
Themen: 27
Registriert seit: Feb 2009
15.03.2021, 15:31
(Dieser Beitrag wurde zuletzt bearbeitet: 15.03.2021, 15:33 von mikra.)
Hallo Andre,
danke für den Plan, den werde ich mir heute Abend mal in Ruhe "reinziehen".
Ein Manual ist ergänzend auch schon unterwegs.
Grüssle
Michael
PS: Hab grad gesehen, der Plan ist vom "Monitor".
Studer A80 (neueste Errungenschaft)
Revox A76, A78, A77, B77, D36, G36,
Philips N4520
div. Uher`s
Beiträge: 1452
Themen: 72
Registriert seit: Sep 2018
(15.03.2021, 15:31)mikra schrieb: PS: Hab grad gesehen, der Plan ist vom "Monitor".
Geht es nicht um ein Report 4400 Monitor?
Dann vergiss meinen Beitrag mit dem defektem Tantal und dem Schaltplan.
Gruß André
Beiträge: 182
Themen: 27
Registriert seit: Feb 2009
Hi Andre,
ne, es geht um das normale Report 4400 Stereo mit der chromfarbenen Front.
Trotzdem danke,
Grüssle
Michael
Studer A80 (neueste Errungenschaft)
Revox A76, A78, A77, B77, D36, G36,
Philips N4520
div. Uher`s
Beiträge: 361
Themen: 70
Registriert seit: Jul 2020
Hallo Michael,
ich hatte dieses Problem auch schonmal und es sind nicht immer (aber oft) die Kondensatoren schuld.
Bei mir lags an oxidierten Kontakten in den Schiebeschaltern, ich hab sie einfach mit Kontaktreiniger "gespült". Das heißt, ich habe das Gerät so aufgestellt, dass ich den Reiniger oben reingespritzt habe und er dann unten wieder rauslaufen konnte, dabei habe ich die Schiebeschalter von Hand bewegt. Danach war alles ok.
Das Zeug stinkt halt erbärmich und ist der Gesundheit wenig förderlich, deswegen würde ich es draußen machen....
Gruß
Stefan
REVOX A77 und B77
GRUNDIG TS 1000 in 2 Varianten und TS 945, TK 847, TK 850FM, TK 248 und TK 600, TK 2400FM und TK 2200, Telefunken M 204
UHER SG 630, SG 561 und 521, Royal de luxe und die ganze Reporter Familie
Tandberg 10XD, ASC AS6002S/38, 6004S/4,75 und 4504/5002,
Sansui SD 3030 (...was ganz seltenes), SABA TG 564 und 664, AKAI X-201
GRUNDIG CN 1000 in 3 Varianten, Tandberg TCD 310, Marantz 5220 und 5010B
TASCAM 133 und 134, SONY TC-K 690, SABA 936 und Telefunken HS 1300
Beiträge: 182
Themen: 27
Registriert seit: Feb 2009
Hi Stefan,
danke für den Hinweise, werde ich mir mal in Ruhe anschauen.
Grüssle
Michael
Studer A80 (neueste Errungenschaft)
Revox A76, A78, A77, B77, D36, G36,
Philips N4520
div. Uher`s
Beiträge: 132
Themen: 9
Registriert seit: May 2017
19.03.2021, 15:24
(Dieser Beitrag wurde zuletzt bearbeitet: 19.03.2021, 16:46 von zuendi.)
(19.03.2021, 12:37)Stefan_K schrieb: Hallo Michael,
ich hatte dieses Problem auch schonmal und es sind nicht immer (aber oft) die Kondensatoren schuld.
Bei mir lags an oxidierten Kontakten in den Schiebeschaltern, ich hab sie einfach mit Kontaktreiniger "gespült". Das heißt, ich habe das Gerät so aufgestellt, dass ich den Reiniger oben reingespritzt habe und er dann unten wieder rauslaufen konnte, dabei habe ich die Schiebeschalter von Hand bewegt. Danach war alles ok.
Das Zeug stinkt halt erbärmich und ist der Gesundheit wenig förderlich, deswegen würde ich es draußen machen....
Gruß
Stefan
Nee, ist nicht wahr, oder?
Da hat er schon so gut wie alles auseinander und dann wird da Chemie reingespritzt, die niemals 100%ig aus jeder Ritze wieder entfernt wird und zweitens, ein nicht so optimales Ergebnis liefert, wie eine mechanische Handreinigung.
Das Innenteil des Schiebeschalters lässt sich doch leicht entfernen und dann mit Glashaarpinsel und Mesh-Papier, dann mit Alkohol alles ausgespült und etwas Kontaktpflege drauf. Dazu hätte ich mehr Vertrauen.
MfG Frank
|