Tonbandforum

Normale Version: RC Kombi
Sie sehen gerade eine vereinfachte Darstellung unserer Inhalte. Normale Ansicht mit richtiger Formatierung.
Hallo zusammen,

suche für meine Telefunken M15A sicherheitshalber folgende RC Kombi 0,1µF 100Ω 250V. 6 oder 4 Stück langen.

0,047 hab ich massig da, aber von den 0,1ern nur noch 3 ;(

Danke und Liebe Grüße Andre
Moin.

okay keiner. Nicht so schlimm. Dann bitte ich Euch um den Ratschlag was Ihr einbauen würdet.

1. Der

2. Oder der

Der die meisten Tips bekommt, wird's.

Danke und Gruß Andre
Andre N.,'index.php?page=Thread&postID=248231#post248231 schrieb:0,047 hab ich massig da
Damit die mal "alle" werden, kannst du je zwei davon parallel schalten und 50 Ohm in Serie legen. Das Gebilde sollte die gleiche Wirkung haben.

MfG Kai
Hallo Kai,

die 100 Ohm müssen aber bleiben, die liegen doch dann mit 0,094µF in Reihe wie vorher mit 0,1µF, warum plötzlich 50ohm ?

MfG, Tobias
Hallo Tobias,

wenn du zwei 47 nF + 100 Ohm parallel legst, wirkt der neue Zweipol wie 94 nF + 50 Ohm, also müssen noch 50 Ohm in Serie hinzugefügt werden, wenn es unbedingt 100 Ohm sein sollen.

MfG Kai
Moin,

Kai... gute Idee aber das gibt der Platz auf der Paltine leider nicht her.

LG Andre
Schade,

und wenn du den Platz unter der Platine hinzunimmst ?

MfG Kai
kaimex,'index.php?page=Thread&postID=248305#post248305 schrieb:wenn du zwei 47 nF + 100 Ohm parallel legst,
Hallo Kai,

davon habe ich nie geschrieben, die originale RC-Kombination besteht aus einer Reihenschaltung von 1 Kondensator 0,1µF und 1 Widerstand 100ohm. Warum sollen jetzt 50ohm zum Kondensator parallel geschaltet werden ?

MfG, Tobias
Hallo Ihr zwei beiden,

Kai. Bei der M15A geht es genau an der Stelle sehr eng zu und an der Maschine mach ich kein Experiment. An der hat schon einer genug verkurbelt.

Ansonsten hab ich jetzt ein paar da und ein paar da geordert. Schau mer mal. thumbsup

Somit ist die Suche beendet.

Liebe Grüße Andre
Da Tobias noch eine Erklärung erwartet:

bitbrain2101,'index.php?page=Thread&postID=248309#post248309 schrieb:davon habe ich nie geschrieben
Ich aber: 2 Stück von Andre's vorhandenen 47 nF +100 Ohm parallel gelegt ergibt 94 nF + 50 Ohm.
bitbrain2101,'index.php?page=Thread&postID=248309#post248309 schrieb:Warum sollen jetzt 50ohm zum Kondensator parallel geschaltet werden ?
Davon habe ich nichts geschrieben, sondern daß man 50 Ohm in Serie dazu tun muß, um auf 94 nF ~ 100 nF + 100 Ohm zu kommen.

MfG Kai
Hallo Kai,

Tippfehler von mir, ich meinte "warum sollen jetzt 100ohm zum Kondensator parallel geschaltet werden". Eine RC-Entstörkombi ist doch immer eine Reihenschaltung, da liegt kein Widerstand parallel zum Kondensator.

MfG, Tobias
Man kann sich immer was zurecht basteln.
Ich bin da kein Freund davon. Wenn ich solche Basteleien in Geräten finde, bin ich immer nicht sonderlich erfreut darüber.

Akai hat das früher ja auch selbst "gebastelt". Nun im abgerauchtem Zustand.


[attachment=29241]

Ich habe jetzt "fertige" RC-Löschglieder eingebaut.


[attachment=29242]
hallo tobias,
ich glaube, wir reden immer noch aneinandern vorbei bzw verstehen unter den geschriebenen worten anderes. bei mir war in keinem fall parallelschaltung von kondensator und widerstand gemeint sondern die parallelschaltung von 2 der bei andre reichlich vorhandenen c-r-serienglieder. das gebilde verhält sich wieder wie ein c-r-serienglied, nun allerdings mit doppelter kapazitât und halbiertem widerstand. folglich hat man dadurch nahezu die gewünschtenn100 nf aber nur 50 ohm. deshalb müssen nochmal 50 ohm in serie dazu gelegt werden.
ich hoffe, daß es nun klar geworden ist.
die funktionstüchtigkeit so einer schaltung bzw eines c-r-gliedes hängt nicht davon ab, ob es gebastelt oder industriell gefertigt wurde, sondern davon, ob bauteile ausreichender belastbarkeit dazu verwendet wurden.

mfg kai
Leider ist bei der M15A auf der WS12 Karte nicht genügend Platz für solche Kombinationen. Es muss auch nicht X2 sein, weil die Wickelmotoren nicht an Netzspannung liegen, sondern an max. 170 V auf der Sekundärseite des Trafos.

Hier die Einbausituation, zunächst die geplatzten Rifas, auf dem unteren Bild links die damals von TFK neu verbauten Alternativ-RCs, rechts meine "polnische Lösung", die inzwischen jahrelang zuverlässig funktioniert:

[Bild: WS12-RC-geplatzt-1.jpg]

[Bild: WS12-original-und-nach-Umbau.jpg]

Grüße, Peter
Hallo Peter,

was sind denn das für blaue Hybrid-Module auf den Platinen, die sehen ja fast aus wie die Studer A101 Module ?

MfG, Tobias
bitbrain2101,'index.php?page=Thread&postID=248334#post248334 schrieb:was sind denn das für blaue Hybrid-Module auf den Platinen

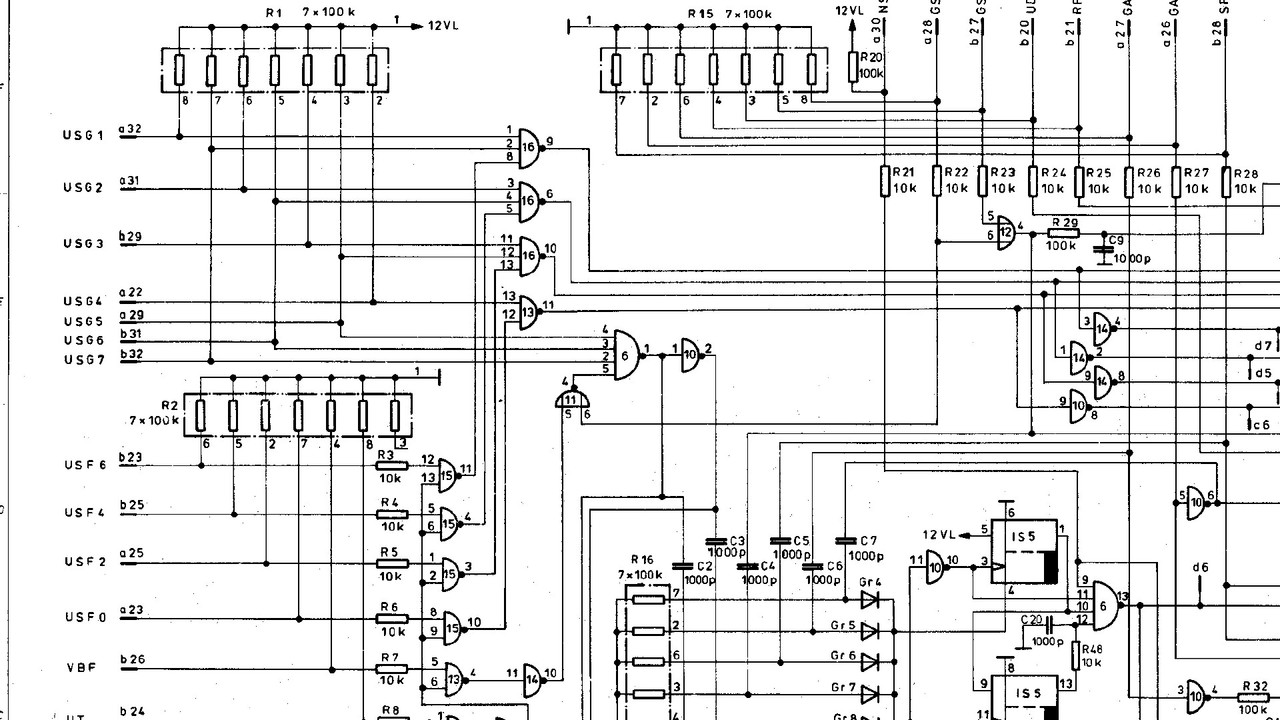
Das sind simple Widerstandsarrays, R1, R2 und R15 im Schaltbild:

[Bild: WS-12-R1-2-15.jpg]


Grüße, Peter
Hallo Peter,

vielen Dank für die Aufklärung, in der Farbe habe ich die Dinger noch nicht gesehen.

MfG, Tobias
kaimex,'index.php?page=Thread&postID=248319#post248319 schrieb:der bei andre reichlich vorhandenen c-r-serienglieder
Hallo Kai,

entschuldige meine Blindheit, ich bin von einzelnen Kondensatoren ausgegangen, nicht von RC-Gliedern. Manchmal ist man irgendwie blockiert. ?(

MfG, Tobias
Kein "Problem" Tobias,

ich hab ja auch einige Zeit gebraucht, bis mir aufging, daß du dir wohl was anderes unter dem vorgestellt hast, von dem ich dachte, es sei sonnenklar, was gemeint ist.
Das Mißverständnis hätte natürlich vermieden werden können, wenn ich den Hinweis auf diese Ersatzmöglichkeit anhand einer Schaltskizze erläutert hätte.

MfG Kai