Tonbandforum

Normale Version: Telefunken M5A
Sie sehen gerade eine vereinfachte Darstellung unserer Inhalte. Normale Ansicht mit richtiger Formatierung.
Can someone tell me how to set the bias for a tube Telefunken M5A?
And set 'Pegel', frequencies ('Hohen I' en 'Hohen II') for AW and WV?
I know how to set the bias a Telefunken M15A but a tube M5A is not the same.
Evert
Would you like an M5A service manual?

Peter
Yes thank you.

Evert
I just can't get enough 'highs' (treble) whatever the setting on 19 cm/s (VM, Hohen I-II, pegel, WV/AV).
I don't know why. No problem with 38 cm/s (sound is okay).

Evert
Evert,'index.php?page=Thread&postID=229359#post229359 schrieb:I just can't get enough 'highs' (treble) whatever the setting on 19 cm/s (VM, Hohen I-II, pegel, WV/AV).
Did you check the playback frequency response with a reference tape or something?
Could be a worn reproducing head which is not yet noticeable at 38 speed.
(Please also consider that you might have got a machine with 100µs EQ at 19.)

If anything, I would expect an unmodified M5A to produce too much treble because the M5A EQ circuits were designed for tapes whch were much less sensitive at short wavelengths.

Peter
Yes, I tried to check the playback frequency response with a reference tape but i couldn't get enough highs with 10KHZ at -20Db or -even at 10db (Hohen I WV). When I tried to bias, the needle of the audio signal meter fluctuated constantly (up and down), 19 cm/s and 38 cm/s.
The settings for 38cm/s I did by ear.

Evert
OK, could you please quantify the deviation in playback response of the reference tape for the different frequencies @19?
And did you check the azimuth alignment for PB and Rec?
The fluctuation could be caused by a lack of alignment between recording & reproducing head.
If it's not, things might get somewhat complicated.

Peter
Hey Peter,

I didn't find the time yet to quantify exactly the deviation in playback response. I think it was more than 10db at 19 cm/s.
I don't know how to check the azimuth (I have to look this up. I have a leader oscillopscope which I think I must use).

When I play a tape that was recorded on the M5A on my other deck, a telefunken M15A, there is far too much treble.
Could it be a worn playback head on the M5A? If this is the case, do you know where I can buy a know playback head or or a all new headbridge for the Telefunken M5a?

Thanks for the advice !
Evert
Evert,'index.php?page=Thread&postID=229513#post229513 schrieb:I don't know how to check the azimuth (I have to look this up. I have a leader oscillopscope which I think I must use).
If your M5A is a full track machine, you would just need a VTVM or some similar.

You first playback your reference tape at the slowest speed and adjust the playback head azimuth at 1 and 10 kHz for maximum output level.

Then you adjust the recording head in the same way, using a relatively unused tape with the same speed and frequencies (or white noise, if you prefer) at about 20 dB below reference level.

That should be it.

An overview of the expected loss due to azimuth misalignment is given in Robert Morrison's "Standard Tape Manual":

[Bild: Robert-Morrison-Standard-Tape-Manual.jpg]

Evert,'index.php?page=Thread&postID=229513#post229513 schrieb:When I play a tape that was recorded on the M5A on my other deck, a telefunken M15A, there is far too much treble. Could it be a worn playback head on the M5A?
This might be an option, but of yourse I cannot know that from a distance.
The first thing you need to do is to make sure first that the azimuth for both heads is correctly adjusted.
(What makes me particularly suspicious in the first place is the level fluctuation you noticed while trying to adjust the bias.)

Evert,'index.php?page=Thread&postID=229513#post229513 schrieb:If this is the case, do you know where I can buy a know playback head or or a all new headbridge for the Telefunken M5a?
Not offhand, but let's first see if a replacement is needed at all.
Perhaps you could take a high-res close-up of the heads?
At least this would make it somewhat easier for me to assess their condition.

Best, Peter

If your M5A is one of these rare stereo versions, the alignment procedure is somewhat different, so please let me know.
Hey Peter

The recorder is a full track M5A mono. I detached a picture of the playback head and the recording head.
Can you tell me where I can find the azimuth screws on both heads?
I am looking for a VTVM for now.

Evert
‘Evert’,’index.php?page=Thread&postID=229544#post229544’ schrieb:I attached a picture of the playback head and the recording head.
First of all, the playback head looks quite worn to me, with the gap region at the end of its lifetime.
In addition it has still the original ring form.
Heads for replacement (so-called long life heads) look somewhat differently, more like the ones for M10 and M15.

‘Evert’,’index.php?page=Thread&postID=229544#post229544’ schrieb:Can you tell me where I can find the azimuth screws on both heads?
The azimuth screws are underneath the small cover plate on top of the head block, marked by the red arrow in the following picture:

[Bild: M5-Laufwerk.jpg]

‘Evert’,’index.php?page=Thread&postID=229544#post229544’ schrieb:I am looking for a VTVM for now.
You may do the same measurements using an oscilloscope if obtaining one is easier for you.

Best, Peter
Hey Peter

Thank you for your advice !

I adjusted the azimuth with the oscillopscope. Now, the sound is "perfect", even treble (highs), at 38 cm/s and at 19 cm/s also.

Then I tried to adjust the highs (Hohen I) with a calibration tape.
Again, I couldn't get enough "highs": at 10Khz /-20 db I measured a deviation of more than 18 db (18 db less output than the signal on the calibration tape).

Could be a worn playback head? If this should be the verdict, do you have any advice on a replacement head: e.g. Telefunken WB02 or other? There is a headstack M5 on ebay, but looking at the pictures, the playback is also pretty worn I think: https://www.ebay.com/itm/Telefunken-M5-M...rk:28:pf:0

Evert
Evert,'index.php?page=Thread&postID=229604#post229604 schrieb:Again, I couldn't get enough "highs": at 10Khz /-20 db I measured a deviation of more than 18 db (18 db less output than the signal on the calibration tape).
This would explain, at least in part, why the recordings made on the M5A sound too sharp on other machines: The "Höhen" EQ of the recording amp is too strong because you adjusted it for linear reproduction on a reproducing head with too much gap loss.

Evert,'index.php?page=Thread&postID=229604#post229604 schrieb:Could be a worn playback head?
That's very likely, because with the given picture resolution you aren't likely to detect a 5 µm gap. In fact, yours is as much visible as the gap on the recording head which is probably 10…20µm.

Evert,'index.php?page=Thread&postID=229604#post229604 schrieb:do you have any advice on a replacement head: e.g. Telefunken WB02 or other? There is a headstack M5 on ebay, but looking at the pictures, the playback is also pretty worn I think: https://www.ebay.com/itm/Telefunken-M5-M...rk:28:pf:0
That's right. I wouldn't buy a magnetic head anyway unless I knew which type it is.

Possible TFK replacements are: WB01 (LL), WB02 (LL), WB 03, WB 04, WB07 (LL), B 104b, A 102, A0102. The "LL" ones are long life versions (called Vacodur), recognizable by their different core form (not a ring core, but rather like this AC29 in an M15A):

[Bild: AC29.jpg]

I have here a nearly unused Bogen RH/PH head set which was originally intended for a T9/M5 headblock. Unfortunately they are in stereo track format Huh

Peter
Hey Peter,

Is is easy to change a playback head?

Another ebay find (WB 01 NOS): https://www.ebay.de/itm/Lot-with-Telefun...rk:18:pf:0

Evert
Evert,'index.php?page=Thread&postID=229655#post229655 schrieb:Is is easy to change a playback head?
It depends. I only know when I have the parts on my workbench.

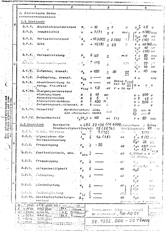
According to Telefunken documents (see pictures), AB01 and WB01 are replacement types für M10 and M5C.

How the heads were mounted into a M5 headblock has changed simetimes over the years, so I can't really tell. But I have managed to mount newer heads into older shells every time so far.

very probably you will need some discs for height adjustment (0,05 - 0,1- 0,2 mm), but these seem to be part of the ebay offer, which by the way looks quite promising. Good luck! thumbup

Best, Peter


* * *


AB01

[Bild: AB01-Seite-1-1.jpg]

[Bild: AB01-Seite-2-1.jpg]


WB01

[Bild: WB01-Seite-1-1.jpg]

[Bild: WB01-Seite-2-1.jpg]


Excerpts from AEG/TFK manufacturing lists 1963, 1970 & 1981:

[Bild: Fertigung-Konstanz-1963-2.jpg]

[Bild: Fertigung-Konstanz-1970.jpg]

[Bild: TFK-Preisliste-Tonk-pfe-1981.jpg]
Hello Peter




The sound
of the recorder is fine now (I am still waiting to fInd a new playback head).




The recorder
has still another ‘problem’ : Every now and then the recorders plays too slow.
Mostly at the end of a long 1000 meter tape (SM468), at 16 and 38 cm/s.
Then, also (fast) forward function is too slow.
Do you have any clue what could be the
problem?




Best
regards


Evert
Hi Evert,

Evert,'index.php?page=Thread&postID=231993#post231993 schrieb:Then, also (fast) forward function is too slow. Do you have any clue what could be the problem?
Hard to tell without further details. Could be more than just one cause.

Have you checked the tape tension on the both sides of the capstan?
Also the pinch roller pressure?

Best,
Peter
Hey Peter

Can you give some advice on tension meters?
Which meter is a good one for a reel to reel recorder?

Best regards
Evert
Evert,'index.php?page=Thread&postID=232045#post232045 schrieb:Which meter is a good one for a reel to reel recorder?
I'm using a Tentelometer, probably the most reliable instrument you can get.

Peter
Hi Peter,


I searched the net. There are a lot of different types of Tentelometers.
Do you think this is a right one: Tentelometer T2-H7-SLC (1 to 7 oz. - 15 to 190 grams with 3 ounce cal-weight)?


On ebay : https://www.ebay.co.uk/itm/Tentel-Tentel...%7Ciid%3A1


Best regards
Evert
Hi Evert,

I don't know the meaning of "SLC", but the T2-H7 should work for 1/4" tapes.
Apparently is was designed originally for Umatic recorders.
This offer is not exactly cheap, I might add ;(

I'm using a T2-H12-X 340G, and it works perfectly fine, and I still don't know what "X 340G" means.
Unfortunately, Tentel's website is now offline for some time and I couldn't trace it via wayback machine either.

You'll find an instruction manual for these in the attachment, just in case.

Good luck,
Peter
Hi Peter,
The speed problem is solved. I think it was a problem of bad windings on a specific tape. The problem didn't reoccure for weeks now.

I have an other question: do you know wether I can change all tubes with new ones without bias setting or other electronic change in settings of the tube amplifiers? Do I need to use tubes of the same 'brand' (Telefunken) or can I use tubes of an other brand as well (Phillips, ...) ?

Regards
Evert

Davidwex

Es ist das lustige Stück